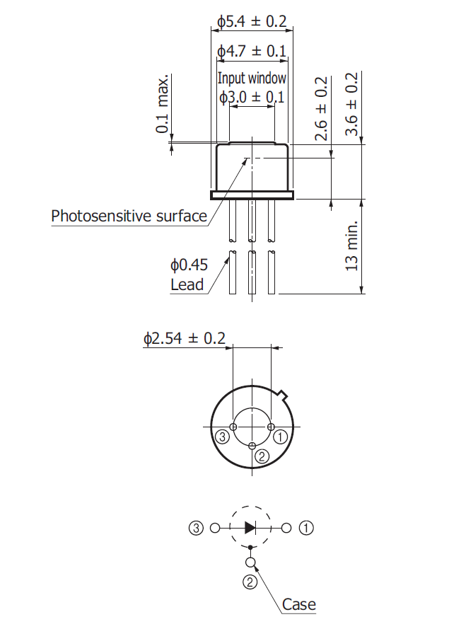
GY-PD-1000-E-TO46光電二極管通過將光功率轉(zhuǎn)換為電流,是測量脈沖和連續(xù)光纖光源的理想選擇。

| Parameter | Symbol | Value | Unit |
|---|---|---|---|
| Wavelength of peak responsivisity | λmax | 2200 | nm |
| Peak responsivisity (at 2200) | λP | 1.35 | A/W |
| Spectral response range | 900~2600 | nm | |
| Chip size | A | 1 | mm2 |
| Dark current (V=-0.2V) | ID | 10.00 | μA |
| Dark current (V=-0.5V) | ID | 15.00 | μA |
| Dark current (V=-1.0V) | ID | 35.00 | μA |
| Capacitance (V =-1V, f =1MHz) | C | 240 | pF |
| Detectivity(λ=λP) | D* | 9×1010 | cm·Hz1/2/W |
| Noise equivalent power(Vat D*) | NEP | 1×10-12 | W/Hz1/2 |
| Operation temperature range | Topt | -40~85 | ℃ |
| Storage temperature range | Tstor | -40~125 | ℃ |
| Soldering temperature (3 s) | Tsold | 260 | ℃ |
| Reverse voltage | VRmax | -1V | V |

